Intanshi
T hatduletic ya Hydraurral ni T{ 0 {00} chimpa wa kusuntinkanya uwapaatulako amenshi bwino bwino, ayapangwa ne fintu ifya maka ifya kubomba bwino mu kupatikishiwa kwakulisha. Ici cilalingana ne fiputulwa ifingi mu mafakitare, mu fifulo fya kushitilamo, na mu mibombele ya motoka, ukuleka ukupongomoka, kabili cayanguka ukubika. Ici cikabila ukusakamana ukunono, cisunga amenshi ukupita bwino, kabili cilafwilisha amashini ukupita bwino pa nshita itali(3}} cili bwino ku milimo ya misango yonse.



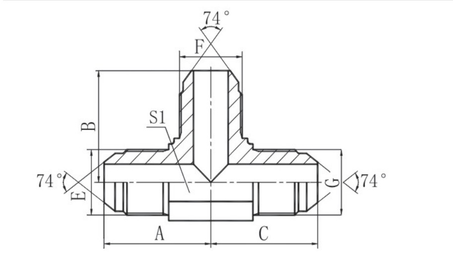
Ifyakulondolwela

|
UKUCILILA NO. |
INSALU |
INSHILA |
|||||
|
E |
F |
G |
A |
B |
C |
S1 |
|
|
AJ-04 |
7/16*X20 |
7/16*X20 |
7/16*X20 |
24.5 |
24.5 |
24.5 |
11 |
|
AJ-04-06-06 |
7/16*X20 |
9/16*X18 |
7/16*X20 |
26.6 |
26.9 |
26.6 |
14 |
|
AJ-05 |
1/2*X20 |
1/2*X20 |
1/2*X20 |
26 |
26 |
26 |
14 |
|
AJ-06-06 |
9/16*X18 |
7/16*X20 |
9/16*X18 |
26.9 |
26.6 |
26.9 |
14 |
|
AJ6-06 |
9/16*X18 |
9/16*X18 |
9/16*X18 |
26.9 |
26.9 |
26.9 |
14 |
|
AJ8-06-06 |
3/4*X16 |
9/16*X18 |
3/4*X16 |
32 |
30 |
32 |
19 |
|
AJ-10 |
7/8*X14 |
7/8*X14 |
7/8*X14 |
37.8 |
37.8 |
37.8 |
22 |
|
AJ-12 |
1.1/16*X12 |
1.1/16*X12 |
1.1/16*X12 |
44.2 |
44.2 |
44.2 |
27 |
|
AJ-16 |
1.5/16*X12 |
1.5/16*X12 |
1.5/16*X12 |
49 |
49 |
49 |
33 |
|
AJ-16-16-16 |
1.5/16*X12 |
1.1/16*X12 |
1.5/16*X12 |
49 |
48 |
49 |
33 |
|
AJ-20 |
1.5/8*X12 |
1.5/8*X12 |
1.5/8*X12 |
56.5 |
56.5 |
56.5 |
41 |
|
AJ-24 |
1.7/8*X12 |
1.7/8*X12 |
1.7/8*X12 |
63 |
63 |
63 |
48 |
|
AJ-32 |
2.1/2*X12 |
2.1/2*X12 |
2.1/2*X12 |
78 |
78 |
78 |
63 |
Ifipimo/Ifyebo fya fyakupangapanga
|
Kubalilapo |
ZheJug, China |
Ubushiku bwakutumina |
Ukusuminishanya |
|
Ukushininkisha |
290001:2015. |
Ukupika |
imitantikile ya kutuma ku nse |
|
Ifya kubomfya |
Icipe ca Carbon |
ukusela |
umwaka umo |
|
Inshita ya kulipila |
Tte. T |
shimapepo |
2000 |
|
Umubele |
Icipya |
Ilangi |
zinc iyabuuta, ilangi zinc |
Pa lwa kampani












Abatungulula
Ubusuma bwa pa muulu
Ibumba lyesu ilya basambilila lisankanya amano ya fya sayansi no kwishiba kwa butungulushi Tusunga ukukonka bwino bwino ne fitupa fya kusambililamo .
Ukukumanya kwa Rich
Ukubikwa mu 20111Ukutuma ku nse ku {11 {11 {11 {11000 mu calo conse ukubikapo na:USA, UK, UK, Australia, Kasurana, Kanada, na fimbi ifya cine cine ku bashita ba calo conse
Iciputulwa ca Fipe Ifyakulisha
4 imisango ya fipe ifikulu:
Ifyakubomfya ifyakusekesha
Imipeto ya maka
Amapekanyo ya pa nshi
Ifyakubomfya pa nkunda
Ukucila pali 100 Ifyapangwa Ifyapusanapusana Ifyasangwa
Imitengo yakucimfyanya
Tulapeela ifipe ifisuma pa mitengo iyalinga.Ukupanga ukucetekela kwa maka ukwa bashita ukupitila muli:
Ubusuma bwa cine
Imibombele ya makwebo iya cine
Ukukula kwa myaka 10
Kasitoma(0+0}}Incito Iyabikwa
Ukukumanina kwenu e cintu cesu ica kubalilapo.
Icifulo ca Kutungulula
Ukusangwa mupepi na Hangzo.

FAQ
Icipusho: Cinshi calenga ukuti basale kampani yesu?
A: Kampani yesu ni 10{2{2} uwaishiba bwino bwino ifya menshi, uwakwata ubusuma bwashintililwapo, 18{3} #umweshi wa nshita itali, ukutwala bwangu, ukuwamya kwa mutengo, no kukanasakamana ukwabula ukusakamikwa pa numa ya kushita .
Icipusho: Bushe tuli fakitare nelyo kampani ya makwebo?
A: Ifwe tuli fakitare ya filonganino fya menshi, ukubika amano ku kupanga no kufwailisha no kupanga pa myaka 10 .
Icipusho: Bushe inshita yesu iya kutwala ifintu ni nshita nshi?
A: Nga ca kuti cili mu fipe, ilingi line cilapita inshiku 7-15. Nangu nga ca kuti ifipe tafili mu fipe, cilatwala inshiku 30-45, icashintilila pa bukulu .
Icipusho: Ni shani fintu amafunde yesu aya kulipila yaba?
A: Ukulipila 30% ukubika pa numa ya kushininkisha, no kulinga 70% na kope wa ndalama sha kusonkela .
Icipusho: Bushe kuti twapeela ifya kumwenako? / Bushe kuti twapeela ifilangililo fya fye?
A: Pa fipe fya nomba, ifya kumwenako 2 kuti fyapeelwa pa kwesha ukwabula ukulipilisha, kabili umushimbe afwile ukubika umutengo wa kutuma; pa fintu ifipangwa, mukwai lanshanyeni na ifwe pakuti mulanshenye pa lwa pulani ya cilangililo
Icipusho: Cinshi tukacita nga twasanga amafya ayasuma ilyo tulebomfya?
A: Mu nshita ya 12{1{1}} mu mweshi wa kweshiwa mu nshita (ukutantikwa ukufuma pa bushiku bwa kutuma), ukuonaula konse ukwabula abantu kulafimbwa .
Icipusho: Ni shani fintu MOQ?
A: Pa fipe fya nomba, tulatungilila ukushita kwa cimowesa{0}} ica fipe. Pa fipe ifishili ifyakushita, ubukulu bwa oda ubunono bukashininkishiwa ukwapusana ukulingana na ifipe
Icipusho: Bushe kuti twapanga ifipe ukulingana ne fikope?
A: Ukusakamana bwino bwino ukupanga ukulingana ne fikope, lelo ifya kufwaya ifyafikapo ne fipimo fya kushipikisha filafwaikwa .
Icipusho: Nicinshi cesu panuma ya- ukusabankanya umulimo?
A: Ukukonkanyapo ukukonka imilimo, icine cine{Icishibilo ca nshita ica mibele ya kutwala no kukonkapokwetecitile(11)}}uka pa kusekesha kwa bashita panuma ya kusaina
Icipusho: Bushe kuti twamona shani ubusuma bwa fipe fyesu?
A: Tuli ne fibombelo fyakwesha ifyakumanina, ukubikapo no kwesha kwa mucele, mashini ya kusansa, umufwailisha wa maka, na fimbi, ku kusunga bwino bwino ubusuma bwa fipe .
Icipusho: Bushe kampani yesu yalikwata umulimo wa OEM?
A: Mu cine cine, kampani yesu ilapeela imilimo ya OEM. Mukwai lanshanyeni na ifwe pakuti mubelenge ifyebo.
Icipusho: Ni musango nshi uwa fipe ifyo tuli nafyo?
A: Pali ino nshita fye ukupakasa kamoni, lelo nga ca kuti muli ne fyo mulefwaya, kuti twaesha ukufikilisha .
Icipusho: Ni lilali ningasanga umutengo?
A: Ilingi line tulalanda mu kati ka maawala 8 pa numa ya kupokelela ukufwailisha kwenu.
Ama Tags aya Kufina: t aperkakilishi ya menshi, China e bapanga amalaiti ya menshi, amafakitare .
