Intanshi
Iciputulwa ca 90 ica 90 ica Kubomfya ica kufwala cimo ica kwafwa imishilwa ya menshi ukupilibuka pa mbali ya madigiri 90. Ici cikwata icishibilo icakosa ica kuleka ukutumpa. Ukupangwa ku fintu fyakosa, kuti fyabomba ukucincimusha kwakulisha. Ici cibomba mu mafakitare, pa mabala na mu mamotoka. Ici cilalingana ne milongo iingi, cisunga amenshi ukupita bwino, cayanguka ukubika kabili cilekabila ukulungikako panono. Cili bwino ku kubomfya inshita itali, ukucilenga ukuba ica kusalapo ica mano ku fifulo uko imishilwa ilekabila ukupilibuka nga nshi.



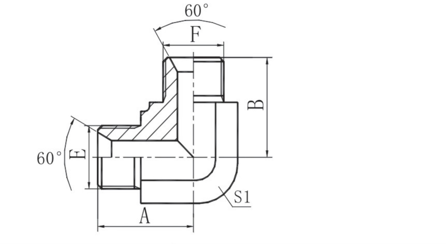
Ifyakulondolwela

|
UKUCILILA NO. |
INSALU |
INSHILA |
|||
|
E |
F |
A |
B |
S1 |
|
|
1B9-02 |
G1/8*X28 |
G1/8"*X28 |
19.8 |
19.8 |
11 |
|
1B9-02-04 |
G1/8*X28 |
G1/4"*X19 |
23 |
25 |
14 |
|
1B9-04 |
G1/4*X19 |
G1/4"*X19 |
24.5 |
24.5 |
14 |
|
1B9-04-06 |
G1/4*X19 |
G3/8"*X19 |
26.5 |
27.5 |
16 |
|
1B9-06 |
G3/8*X19 |
G3/8"*X19 |
27.5 |
27.5 |
16 |
|
1B9-08 |
G1/2*X14 |
G1/2"*X14 |
34.5 |
34.5 |
22 |
|
1B9-08-12 |
G1/2*X14 |
G3/4"*X14 |
37.5 |
40 |
27 |
|
1B9-10 |
G5/6*X14 |
G5/8"*X14 |
35 |
35 |
22 |
|
1B9-10-12 |
G5/8*X14 |
G3/4"*X14 |
37.5 |
39 |
30 |
|
1B9-12 |
G3/4*X14 |
G3/4"*X14 |
40 |
40 |
27 |
|
1B9-12-16 |
G3/4*X14 |
G1"*X11 |
43.5 |
46 |
33 |
|
1B9-16 |
G1"*X11 |
G1"*X11 |
46 |
46 |
33 |
|
1B9-16-20 |
G1"*X11 |
G1,1/4"*X11 |
50.5 |
50.5 |
41 |
|
1B9-20 |
G1,1/4"*X11 |
G1,1/4"*X11 |
50.5 |
50.5 |
41 |
|
1B9-20-24 |
G1,1/4"*X11 |
G1,1/2"*X11 |
54.5 |
57.5 |
48 |
|
1B9-24 |
G1,1/2"*X11 |
G1,1/2"*X11 |
57.5 |
57.5 |
48 |
|
1B9-32 |
G2"*X11 |
G2"*X11 |
68 |
68 |
63 |
Ifipimo/Ifyebo fya fyakupangapanga
|
Kubalilapo |
ZheJug, China |
Ubushiku bwakutumina |
Ukusuminishanya |
|
Ukushininkisha |
290001:2015. |
Ukupika |
imitantikile ya kutuma ku nse |
|
Ifya kubomfya |
Icipe ca Carbon |
ukusela |
umwaka umo |
|
Inshita ya kulipila |
Tte. T |
shimapepo |
2000 |
|
Umubele |
Icipya |
Ilangi |
zinc iyabuuta, ilangi zinc |
Pa lwa kampani












Abatungulula
Ubusuma
Ibumba lyesu ilyaishiba bwino lishininkisha ifipimo fya pa muulu. Tulakonka ukukonkomesha kwa musango yo no kusunga ifitupa fya ncito.
{Ici10+ Imyaka ya Kukumanya
Ukutula mu 2011, twabombela abashitisha mu {{1} ifyalo, ukubikapo na USA, Germanyy, Australia, na fimbi.Icafuupuka ku fipe ifishintililwapo ne milimo iisuma nga nshi.
Iciputulwa ca Fipe Icakulisha
4 imisango ya fipe ifikulu (ifyakubomfya ifya menshi, ifipe, ifipe, na ifipimo fya nylon).
Imitengo iisuma
Tulapeela imitengo iyacimfyanya ukwabula ukusondwelela bwino.Icacetekelo ca bashita mu calo conse ku makwebo ya cine cine no kukula ukwatwalilila pa myaka 10.
Kasitoma(0{}} Umulimo wa Kubalilapo
Ukukumanina kwenu e fyo twabika pa ntanshi.
Icifulo icaishibikwa
Nea Harzo, ne fya kutuma ifyayanguka ifya kutwala no kutwala bwangu.

FAQ
Icipusho: Cinshi citusenishe?
A: Twalibomba na menshi ya menshi pa myaka 10. Ifipe fyesu fyali bwino, ye shite na 18 {4{4} ukushininkisha, kabili tulatwala bwangu. Kabili tulaafwa ukusunga indalama, kabili imilimo yesu iya pa numa ya {5} iya kusamba tayakwata amasakamika.
Icipusho: Bushe tuli fakitare nelyo kampani ya makwebo?
A: Tuli ba fakitare iya kubalilapo ukupanga ifya kufwala ifya menshi. Twalibika amano ku kupanga no kubawamya pa myaka 10.
Icipusho: Ni nshita nshi ukutwala?
A: Nga ca kuti tuli ne fipe mu cipe, ilingi line cilatwala 7- 15 inshiku. Nga te ifyo, inshiku 30-45-45-ici cishintilila pa fyo mupeela.
Icipusho: Kuti mwalipila shani?
A: Ukulipila 30% ilyo mwashininkisha ifyo mulefwaya. Ukulipila 70% iyashala panuma ya kukutumina kopi wa ndalama sha kusonkela.
Icipusho: Bushe kuti twakwata ifilangililo? Bushe balilubuka?
A: Pa fipe fyesu ifya nomba, kuti twapeela ifilangililo 2 ifyabula ukulipila ifya kwesha. Lelo mufwile ukulipila pa kutuma. Pa fya kupangapanga ifya cifyalilwa, lanshanyeni na ifwe ku kubomba umulimo wa cilangililo.
Icipusho: Nga ca kuti kuli ubwafya ubusuma ilyo mulebomfya?
A: Tushininkisha ubusuma pa myeshi 12 (ukufuma pa bushiku bwa kutuma). Amafya yonse ayashilafuma ku bantu yalifimbwa.
Icipusho: Ni nshila nshi iyacepa iyo twingabika?
A: Pa fipe mu fipe, kuti mwashita fye 1. Pa mulandu wa- ifya fipe fya fipe, tukashininkisha ifunde ilinono ilyashintilila pa fipe.
Icipusho: Bushe kuti mwapanga ifipe ukufuma ku fikope?
A: Ee, kuti twacita. Lelo tulekabila ifya kufwaya ifyaumfwika bwino bwino ne fipimo fya kushipikisha.
Icipusho: Nicinshi cenu panuma yenu panuma ya kubomfiwa?
A: Tukonka ifya kupangapanga inshila yonse. Tulamubwekeshapo pa ncende ya fipe, kabili tuloleshe nga ca kuti uli uwa nsansa pa numa ya kufipokelela.
Icipusho: Bushe kuti mwamona shani ubusuma bwa fipe?
A: Tuli ne fibombelo fya kwesha ifya ncito: abakwesha ifya kusamba umucele, amashini ya kusansabika, abakwesha abakosa, na fimbi.
Icipusho: Bushe mulepeela umulimo wa OEM?
A: Ee, tulacita ifyo. Tulanshanyeni na fimbi.
Icipusho: Ni nshila nshi iyo mubomfya?
A: Pali ino nshita, tulabomfya amakaroti. Lelo tubilisheni ifyo mulefwaya, kabili tukaesha ukufikilisha.
Icipusho: Ni lilali nkapokelela umutengo?
A: Ilingi line tulatuma amashiwi mu kati ka maawala 8 panuma ya kusanga icipusho cenu pa lwa mitengo.
Ama Tags aya Kufina: ukubomfya amadigrii 90 aya ku China, icalo ca kunshita ya manga 90 aya ku China, amafakitare .
